В условиях цифровизации здравоохранения принципиально важное значение приобретает создание современных информационных систем для сбора и обработки медицинской статистики. Данная статья представляет разработку и всесторонний анализ функциональных требований к таким системам, рассматривая их как сложные технологические комплексы, объединяющие строгие нормативные требования, передовые цифровые решения и практические потребности медицинских организаций. Особое внимание уделено методологии обеспечения качества данных, принципам интеграции с существующей ИТ-инфраструктурой и созданию условий для аналитической работы на основе собранной статистики.
Идентификаторы и классификаторы
- SCI
- Здравоохранение
Современные тенденции цифровизации здравоохранения выдвигают новые требования к системам сбора и анализа медицинской статистики [1]. В условиях экспоненциального роста объемов данных и повышения требований к их качеству традиционные подходы к статистическому учету демонстрируют свою неэффективность. Особую значимость приобретает создание интеллектуальных аналитических платформ, способных обеспечить не только автоматизированный сбор показателей, но и их многоуровневую верификацию, а также содержательную аналитическую обработку.
Список литературы
1. Распоряжение Правительства РФ от 17.04.2024 №959-р “Об утверждении Стратегического направления в области цифровой трансформации здравоохранения”. Официальный интернет-портал правовой информации.
2. Кобякова О.С., Голубев Н.А., Поликарпов А.В., Сидоров К.В. Модель автоматизации системы сбора статистической информации о показателях системы здравоохранения на основании первичных данных // Профилактическая медицина. - 2023. - Т.26. - №1. - С.11-16.
3. Кузнецов О.П., Чернова Н.И., Васильев А.С. Цифровая трансформация здравоохранения: оценка качества статистических данных // Врач и информационные технологии. - 2021. - №3. - С.45-52.
4. World Health Organization. 2022. Guidelines for Health Statistics Reporting. Geneva: WHO.
5. Островик М.О., Кавешников А.В. Цифровая трансформация медицинской статистики в условиях внедрения ЕГИСЗ // Медицинская информатика. - 2023. - №2. - С.15-23.
6. Купатенко Я.Г., Мирук А.К., Ломоносова А.В., Козлова А.А. Искусственный интеллект в обработке медицинской статистики // Медицинская информатика. - 2022. - №4. - С.12-20.
7. Гусев А.В., Владзимирский А.В., Голубев Н.А., Зарубина Т.В. Информатизация здравоохранения Российской Федерации: история и результаты развития // Национальное здравоохранение. - 2021. - Т.2. - №3. - С.5-17.
8. Реброва О.Ю. Статистический анализ медицинских данных. - М.: МедиаСфера, 2006. - 312 с.
9. Какорина Е.П., Поликарпов А.В., Голубев Н.А., Огрызко Е.В. Оптимизация системы обработки статистической отчетности “МЕДСТАТ” в современных условиях // Менеджер здравоохранения. - 2015. - №10. - С.31-40.
10. Кобякова О.С., Поликарпов А.В., Голубев Н.А., Рябков И.В., Лисненко А.А. Трансформация медицинской статистики в период пандемии новой коронавирусной инфекции (COVID-19) // Проблемы социальной гигиены, здравоохранения и истории медицины. - 2021. - Т.29. - №6. - С.1439-1445.
11. Давыдов С.Г., Матвеева Н.Н., Адемукова Н.В., Вичканова А.А. Искусственный интеллект в российском высшем образовании: текущее состояние и перспективы развития // Университетское управление: практика и анализ. - 2024. - Т.28. - №3. - С.32-44.
12. Стародубов В.И., Поликарпов А.В., Голубев Н.А., Лисненко А.А. Модернизация “Автоматизированной системы информирования руководителя” (АСИР) // Врач и информационные технологии. - 2016. - №1. - С.35-43.
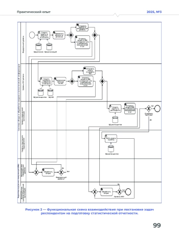
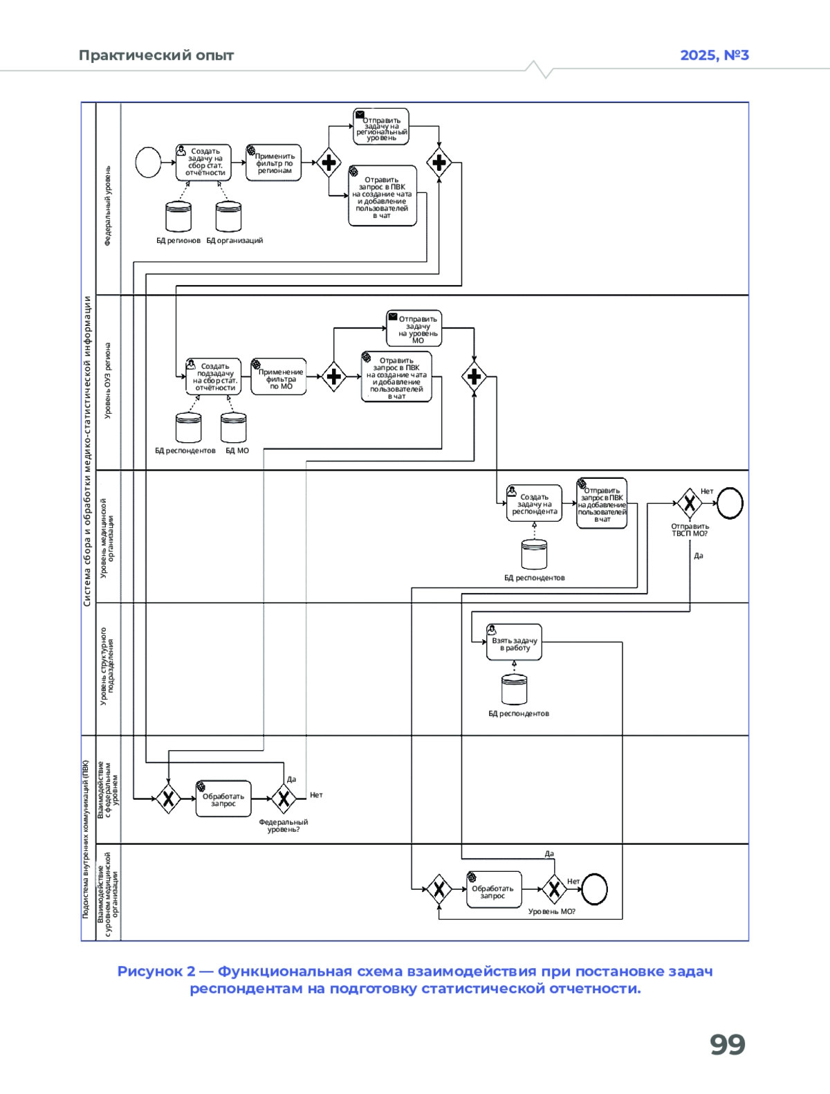
13. Поликарпов А.В., Голубев Н.А., Рябков И.В., Лисненко А.А., Плаксицкий Д.Г., Санькова М.В. Модель информационного взаимодействия в рамках системы сбора медицинской статистики // Врач и информационные технологии. - 2023. - №1. - С.62.
14. Наркевич А.Н., Виноградов К.А. Выбор метода для статистического анализа медицинских данных и способа графического представления результатов // Социальные аспекты здоровья населения. - 2019. - №4. - С.9.
15. Никонорова М.Л. Цифровые решения в медицине // Крымский журнал экспериментальной и клинической медицины. - 2022. - Т.12. - №2. - С.73-85.
16. Минздрав РФ (2023). Методические рекомендации по сбору статистики в ЕГИСЗ.
17. IEEE Conference Paper. Data Integration in Healthcare: Case Study of Russian EHR Systems. 2023.
18. Поликарпов А.В., Голубев Н.А., Огрызко Е.В. Оптимизация службы медицинской статистики на различных уровнях в современных условиях // Врач и информационные технологии. - 2015. - №2. - С.72-80.
19. Голубев Н.А., Поликарпов А.В., Огрызко Е.В., Шикина И.Б., Захарченко О.О. Исторические аспекты методологии сбора и обработки медико-статистической информации в Российской Федерации // Социальные аспекты здоровья населения. - 2022. - Т. 68, № 5. - С. 12.
20. Захарова И.В., Петров С.К. Автоматизированные системы контроля качества медицинской статистики // Национальное здравоохранение. - 2022. - Т.3. - №1. - С.28-35.
Выпуск
Другие статьи выпуска
Цифровая трансформация здравоохранения требует эффективных инструментов для оценки цифровой зрелости медицинских организаций. Настоящее исследование направлено на разработку методики оценки цифровой зрелости, адаптированной к особенностям системы здравоохранения Российской Федерации. В рамках работы проведен анализ нормативных правовых актов, определены ключевые критерии оценки цифровой зрелости, сгруппированные в блоки, и разработан алгоритм расчета уровня цифровой зрелости медицинских организаций. Предложенная нами методика обеспечивает возможность объективной оценки, идентификации проблемных зон и разработки рекомендаций для повышения цифровой зрелости организаций.
Цель. Разработать методику оценки цифровой зрелости медицинских организаций, которая учитывает специфику системы здравоохранения Российской Федерации, позволяет проводить комплексную и объективную оценку уровня цифровой зрелости и формировать рекомендации для улучшения процессов цифровой трансформации.
Материалы и методы. Для разработки методики была сформирована рабочая группа из 14 членов экспертного сообщества с опытом трудовой деятельности в сфере здравоохранения и цифровой трансформации. Проведен анализ нормативных правовых актов и существующих подходов к оценке цифровой зрелости. На основе экспертного опроса выделены ключевые критерии, сгруппированные в пять блоков. Для каждого блока разработаны показатели и алгоритмы расчета, что обеспечивает объективность, прозрачность и возможность автоматизации оценки.
Результаты. Методика оценки цифровой зрелости медицинских организаций позволяет объективно определить уровень их готовности к цифровой трансформации. Методика охватывает основные аспекты цифровизации, обеспечивая комплексный подход к анализу, а также дает возможность выявить ключевые проблемы, затрудняющие цифровую трансформацию, и формировать рекомендации для их устранения. Это делает ее эффективным инструментом для повышения уровня цифровой зрелости медицинских организаций и улучшения качества предоставляемых услуг.
Выводы. Разработанная в ФГБУ «ЦНИИОИЗ» Минздрава России методика оценки цифровой зрелости медицинских организаций является универсальным инструментом для объективной и системной оценки уровня цифровой зрелости. Она учитывает особенности структуры и деятельности организаций, обеспечивая адаптивность к различным условиям и уровням здравоохранения. Методика способствует стандартизации цифровой трансформации, выявлению проблемных зон и формированию индивидуальных рекомендаций для их устранения.
Большие генеративные модели (БГМ) обладают значительным потенциалом для здравоохранения и медицинской науки. Несмотря на экспоненциальный рост числа публикаций, качество и результативность научного изучения БГМ остается неудовлетворительной. В научной литературе утверждается необходимость создания стандартизированных подходов для обеспечения безопасной и эффективной интеграции БГМ в клиническую практику. В системе здравоохранения г. Москвы осуществляется апробация БГМ в качестве средства поддержки принятия врачебных решений, которая потребовала создания особых методов и инструментов для оценки их качества. Представлены две методики оценки качества БГМ, разработанные на основе: анализа литературных данных (всего свыше 200 источников); результатов проведенного авторами этапного комплексного тестирования 204 БГМ; эмпирического опыта оценки качества БГМ на выборке из более 12 000 случаев применения. Методики предназначены для двух основных сценариев применения моделей. В их основе лежат (с учетом сценария) принципы формирования тестовой выборки, специально разработанные и валидированные опросники, способы тестирования, унифицированные требования к составу и структуре результатов оценки качества.
Цель исследования: разработка методики скринингового обследования пациентов, направленной на раннюю дифференциальную диагностику злокачественных новообразований кожи посредством применения методов дерматоскопии совместно с оптоэлектронными средствами мобильной техники и алгоритмами классификации дерматоскопических изображений, основанных на методах машинного обучения.
Материалы и методы. Для реализации обнаружения злокачественных новообразований и отнесения их к соответствующей нозологической группе применяются методы и алгоритмы машинного обучения и оптического распознавания. Методы оптического распознавания используются в процессе анализа дерматоскопических снимков и обучения алгоритмов и моделей классификации. В качестве применяемых подходов машинного обучения выступают методы многоклассовой и бинарной каскадной двухэтапной классификации технологии машинного обучения, основанной на нейросетевой архитектуре и архитектуре визуальных трансформеров.
Результаты. В ходе экспериментальных оценок многоклассовой классификации (восемь типов злокачественных новообразований) определена наилучшая модель классификации с архитектурой визуального трансформера, характеризующего метриками Accuracy 0,932 и F-мера 0,891 на сформированном наборе данных, включая ISIC-2019 и собственный набор, содержащий 657 изображений. Бинарная каскадная двухэтапная классификация на меланоцитарные и немеланоцитарные новообразования имеет значения Accuracy и F-мера 0,954 и 0,948 (первый этап классификации) и на меланомы и невусы — 0,964 и 0,951 соответственно (второй этап классификации).
Заключение. Полученные количественные значения точности обнаружения злокачественных кожных новообразований разработанной методикой скринингового обследования позволяют рекомендовать внедрение многоклассовой классификации для первичного разделения большого объема дерматоскопических изображений пациентов по нозологическому признаку между профильными специалистами в процессе проведения массовый (выездных) профилактических осмотров, а внедрение каскадной бинарной классификации в условиях первичного приема с ограниченным доступом к профильным специалистам для дифференциации меланомы от других кожных новообразований. Разработанная методика скринингового обследования пациентов может быть внедрена в медицинскую практику в качестве системы поддержки принятия решений врача.
Внедрение системы поддержки принятия врачебных решений (СППВР) в клиническую практику требует тщательного контроля для обеспечения безопасности пациентов и оценки эффективности применения технологий искусственного интеллекта.
Целью данной работы является оценка результативности СППВР «ТОП-3» в условиях консультативно-диагностических поликлиник Департамента здравоохранения города Москвы.
Материалы и методы: Мониторинг работы СППВР «ТОП-3» проводился Департаментом здравоохранения города Москвы с 01.10.2020 по 21.03.2024 (n = 63 809 360 чел.). Рассчитывалась метрика Hit-3, на основе которой принималось решение о необходимости повторного обучения представленной СППВР. Дополнительно было проведено исследование с участием врачей-экспертов: ретроспективный анализ данных на выборке из 3000 пациентов с расчетом согласованности диагнозов от СППВР, врача и эксперта.
Результаты: По результатам мониторинга среднее значение Hit-3 составляло 63,5, 64,5 и 67,7 для первой, второй и третьей версии СППВР соответственно. Экспертиза показала, что в выборке несоответствия диагноза от врача и СППВР (n = 2000) в 80,2% случаев эксперт на основе жалоб соглашался с СППВР, в 11,5% случаях - с врачом, а в 8,3% случаев ставил иной диагноз. В выборке соответствия диагноза врача с одним из диагнозов СППВР (n = 1000) в 50,4% случаев эксперт соглашался с диагнозом от врача и СППВР, в 37,9% случаев – с одним из двух других альтернативных диагнозов СППВР, в 11,7% случаев ставил иной диагноз.
Заключение: Описанная методика мониторинга, дополненная проведением экспертизы, позволила всесторонне оценить внедряемую в систему здравоохранения СППВР. По итогу оценки результативности «ТОП-3» было принято решение о необходимости расширения анализируемого перечня данных электронных медицинских карт, что будет внедрено в следующей версии СППВР «ТОП-3+».
Алгоритмы машинного обучения (МО) находят применение во всех сферах жизни человека. Пренатальный скрининг (ПС) не является исключением. Внедрение методов МО для оценки результатов ПС позволит преодолеть проблемы, присущие анализу людьми: снизить субъективность и вариабельность между разными специалистами при чтении медицинских изображений, сократить время исследования, стратифицировать беременных по группам риска с большей достоверностью. Настоящее исследование сконцентрировано на оценке диагностической результативности применения технологий, основанных на применении методов искусственного интеллекта (ИИ), для оценки результатов ПС. Исследование проводилось в соответствии с методологией обзора предметного поля. По результатам поиска в базах PubMed и eLibrary идентифицировано 27 релевантных работ. Все включенные работы продемонстрировали положительный потенциал методов ИИ для обнаружения, классификации или прогнозирования рисков развития врожденных аномалий (ВА). При интерпретации медицинских изображений МО позволяет сократить время диагностики, повысить ее качество, обеспечить возможность проведения данного варианта диагностики в удаленных и труднодоступных районах или в условиях кадрового дефицита, сохраняя при этом достаточную чувствительность и специфичность вне зависимости от квалификации врача. Алгоритмы на основе метаболомного анализа обладают преимуществами в точности и эффективности прогнозирования хромосомных аномалий. Системы поддержки принятия врачебных решений позволяют улучшить прогнозирование развития ВА в первом триместре беременности как с точки зрения точности скрининга, так и с точки зрения снижения стоимости программы скрининга.
Тем не менее текущие эмпирически подтверждённые знания в основном получены при внедрении систем ИИ с низкой автономностью действий, и авторы большинства включенных в анализ исследований описывают ряд ограничений, которые необходимо учитывать при внедрении подобных решений.
Концепция метавселенной является новой, активно развивающейся идеей, имеющей потенциал в различных сферах медицины. Сочетание мультисенсорной стимуляции и социального взаимодействия открывает широкие возможности для применения технологий метавселенной в реабилитации. Целью данного обзора является анализ сфер применения и перспектив развития метавселенной в реабилитации. Методы: Авторами был выполнен поиск в PubMed, ScienceDirect с использованием ключевых слов «metaverse», «метавселенная», среди которых в ручном режиме велся поиск исследований, связанных с различными аспектами реабилитации. Из найденных 1393 публикаций для дальнейшего анализа было отобрано 37. Результаты: Технологии метавселенной используются в медицинской реабилитации, помогая восстановить физические и когнитивные функции. Создание цифровых двойников-аватаров и использование машинного обучения для обработки данных о пациенте может сделать реабилитацию более персонализированной и эффективной. Обсуждение: Концепция метавселенной создает уникальную среду, в основе которой лежит синергия высоких технологий и социального взаимодействия. Новые возможности, которые открывает применение метавселенной в медицине, могут коренным образом изменить реабилитацию, сделав ее более эффективной и доступной.
Издательство
- Издательство
- НМХЦ ИМ. Н.И. ПИРОГОВА МИНЗДРАВА РОССИИ
- Регион
- Россия, Москва
- Почтовый адрес
- 105203, г Москва, р-н Восточное Измайлово, ул Нижняя Первомайская, д 70
- Юр. адрес
- 105203, г Москва, р-н Восточное Измайлово, ул Нижняя Первомайская, д 70
- ФИО
- Карпов Олег Эдуардович (Генеральный директор)
- Контактный телефон
- +7 (499) 4640303